型号:DPCR-23-R
品牌:Optilab
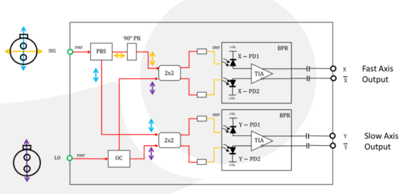
DPCR-23-R是机架安装形式的双偏振相干光接收器(DPCR),专为相干信号检测而设计。 这个统包解决方案系统使用所有光纤组件,光纤长度精确匹配,以最大限度地减少不同路径之间的偏斜。DPCR具有偏振保持输入和极低的偏振串扰,是偏振复用相干信号检测的理想选择。
功能结构图
| DPCR-23-R | 双偏振相干接收机 | 主要参数规格 |
| 工作波长范围 | 1530 to 1570 nm |
| 差分转换增益 | 1500 V/W min, 2000 V/W typ. |
| 电光带宽 | 20 GHz min. |
| 插入损耗, 信号至接收 | 5 dB max, 4 dB typ. |
| 插入损耗, 本振至接收 | 8 dB max, 7.2 dB typ. |
| 偏振串扰, SIG | ≥ 30 dB |
| 偏振串扰, LO | ≥ 40 dB |
| 最大输入功率 | +6 dBm |
| Skew | 10 ps max |
| 信号及本振输入光纤 | Corning PM15-U25D Panda Fiber |
| 信号及本振输入连接器 | FC/APC, key aligned to slow axis |
| 工作模式 | MGC or AGC |
| 射频输出连接器 | SMA female, AC coupled, 50ohm |
| 产品尺寸 | 1U rackmount, 19” x 14” x 1.75” |
| 电源 | 100 to 240 VAC |
| 前面板控制 | LCD display with button control |
| 程控接口 | RS232 via USB |
| 更多产品信息、联系苏州jinnianhui今年会科技有限公司相关销售人员获取。 | |
